พารามิเตอร์ผลิตภัณฑ์มอเตอร์นิวแมติกแรงบิดสูงความเร็วต่ำ AMP4-RV:    
  ช่วงอัตราส่วนส่วนลด: 7.5-80, กำลัง: 0.24KW, แรงม้า: 0.33HP, แรงบิด: 17.5-184.7N.m, ความเร็วฟรี: 93-8.5RPM, ปริมาณการใช้อากาศ: 0.31m³/min, น้ำหนัก: 6.5-8.0KG (การลดลงที่แตกต่างกัน อัตราส่วน น้ำหนักที่แตกต่างกัน) วิธีการติดตั้งเสริม: แนวตั้ง แนวนอน วาล์วควบคุมแบบแมนนวลเสริม เบรก ตัวควบคุม 
     คุณสมบัติมาตรฐาน:    
  การใช้อากาศอัดเป็นแหล่งพลังงานเพื่อความปลอดภัยและป้องกันการระเบิด ผลิตภัณฑ์มีใบรับรองป้องกันการระเบิดและตรงตามมาตรฐานความปลอดภัยแห่งชาติ ตัวลดเกียร์แบบเฮลิคอลใช้วาล์วควบคุมเพื่อสลับการสตาร์ท การปรับ และการหยุด และสามารถกลับทิศทางได้ทันที มอเตอร์มีการออกแบบโดยรวมแบบปิด และสามารถใช้งานได้ในสภาพแวดล้อมที่มีฝุ่น ชื้น และรุนแรง มีการใช้กันอย่างแพร่หลายในอุตสาหกรรมเคมี เซมิคอนดักเตอร์ คริสตัล ปิโตรเคมี เทคโนโลยีชีวเคมี โรงงานสี เครื่องจักรอัตโนมัติ และอุตสาหกรรมอื่นๆ 
     สภาพแวดล้อมการทำงาน:    
  ของไหล: อากาศอัด  
  ใช้แรงกด : 5กก./ซม     2    (70 psi)  
  แรงดันใช้งานสูงสุด: 6กก./ซม     2    (85 psi)  
  อุณหภูมิแวดล้อม: -10°C~ 70°C (ใช้ได้เฉพาะในสภาวะที่ไม่เป็นน้ำแข็ง)  
  น้ำมันหล่อลื่น: IS0VG32 หรือคล้ายกัน (จำเป็นต้องเติมน้ำมันด้วยละอองน้ำมัน 2~3 หยดต่อนาที)  
  การใช้งานต่อเนื่อง: ใช่ (ไม่สามารถทำงานต่อเนื่องได้หากไม่มีโหลด)  
  ความเร็วที่แนะนำ: (0.3~1) x ความเร็วเอาต์พุตสูงสุด  
พารามิเตอร์รายละเอียด
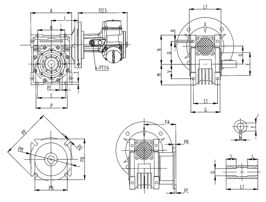
การเขียนแบบมิติการติดตั้ง
  
 
     ตารางขนาดการติดตั้ง   
   
| ลด แบบอย่าง | น | ปถาม | พี.เอ็น | ปณ | พีพี |               |    
| อาร์วี50 |       85 3.3-  |           110 4.3"  |           70 2.8"  |           11 0.43 "  |           125 4.9"  |    |
| อาร์วี63 |       150 5.9"  |           142 5.6"  |           115 4.5"  |           11 0.43"  |           180 7.1"  |    |
| อาร์วี75 |       165 6.5"  |           170 6.7"  |           130 5.1"  |           14 0.55"  |           200 7.9"  |    
|       รุ่นสินค้า  |           ก  |           บี  |           ค  |           ค1  |           ดี (h7)  |           อี  |           ช  |           ชม  |           ฉัน  |           ม  |           เอ็น  |           โอ  |           P  |           Q  |           ร  |           ส  |           ต  |           วี  |           พีเอ  |           พีบี  |           พีซี  |           วิชาพลศึกษา  |           น  |           พี.เอ็น (H8)  |           ปณ  |           พีพี  |           PQ  |           ข  |           ที  |    |
|       AMP4-RV50-G7.5  |           120 4.72"  |           144 5.67"  |           80 3.15"  |           70 2.76"  |           25 0.98"  |           70 2.76"  |           85 3.35"  |           85 3.35"  |           80 3.15"  |           92 3.62"  |           60 2.36"  |           84 3.31"  |           50 1.97"  |           100 3.94"  |           64 2.52"  |           65 0.26"  |           30 1.18"  |           7 0.38"  |           40 1.57"  |           90 3.54"  |           9 0.35"  |           5 0.2"  |           M8X10(n=4)  |           85 3.35"  |           70 2.76"  |           11(n=4) 0.43"  |           125 1.92"  |           110 4.33"  |           8 0.31"  |           283 1.11"  |    
|       AMP4-RV50-G10  |    ||||||||||||||||||||||||||||||
|       AMP4-RV50-G15  |    ||||||||||||||||||||||||||||||
|       AMP4-RV50-G20  |    ||||||||||||||||||||||||||||||
|       AMP4-RV63-G25  |           144 5.67"  |           174 6.85"  |           100 3.94"  |           85 3.35"  |           25 0.98"  |           80 3.15"  |           103 4.06"  |           95 3.74"  |           95 3.74"  |           112 4.41"  |           72 2.83"  |           102 4.02"  |           63 2.48"  |           110 4.33"  |           80 3.15"  |           85 0.33"  |           36 1.42"  |           8 0.31"  |           50 1.97"  |           82 3.23"  |           10 0.39  |           6 0.24"  |           M8X10(n=4)  |           150 5.91"  |           115 4.53"  |           11(n=4) 0.43"  |           180 7.09"  |           142 5.59"  |           8 0.31"  |           283 1.11"  |    
|       AMP4-RV63-G30  |    ||||||||||||||||||||||||||||||
|       AMP4-RV63-G40  |    ||||||||||||||||||||||||||||||
|       AMP4-RV75-G50  |           172 6.8"  |           205 8.1"  |           120 4.7"  |           90 3.5"  |           28 1.1"  |           95 3.7"  |           112 4.4"  |           115 4.5"  |           112.5 4.4"  |           120 4.7"  |           86 3.4"  |           119 4.7"  |           75 3"  |           140 5.5"  |           93 3.7"  |           11 0.43"  |           40 1.6"  |           10 0.39"  |           60 2.4"  |           111 4.4"  |           13 0.5"  |           6 0.23"  |           M8X10(n=4)  |           165 6.5"  |           130 5.1"  |           14(n=4) 0.55"  |           200 7.9"  |           170 6.7"  |           8 0.31"  |           313 12"  |    
|       AMP4-RV75-G60  |    ||||||||||||||||||||||||||||||
|       AMP4-RV75-G80  |    ||||||||||||||||||||||||||||||
เอกสารข้อมูลทางเทคนิค
|       รุ่นสินค้า  |           พลัง  |           ความเร็วที่กำหนด  |           แรงบิด  |           แรงบิดแผงลอย  |           ปริมาณการใช้อากาศ  |           น้ำหนัก  |    ||||
|       (เอชพี)  |           (กิโลวัตต์)  |           (รอบต่อนาที)  |           (นาโนเมตร)  |           (ft.บาท)  |           (นาโนเมตร)  |           (ft.บาท)  |           (ลบ.ม./นาที)  |           (ซีเอฟเอ็ม)  |           (กก.)  |    |
|       AMP4-RV50-G7.5  |           0.33  |           0.24  |           93  |           17.5  |           12.9  |           27.5  |           20.3  |           0.31  |           11  |           6.5  |    
|       AMP4-RV50-G10  |           68  |           23.5  |           17.3  |           36.8  |           27.2  |    |||||
|       AMP4-RV50-G15  |           45  |           34.6  |           25.5  |           54.6  |           40.3  |    |||||
|       AMP4-RV50-G20  |           35  |           46.5  |           34.3  |           73.5  |           54.2  |    |||||
|       AMP4-RV63-G25  |           27  |           57.8  |           42.7  |           91.6  |           67.6  |           
  |    ||||
|       AMP4-RV63-G30  |           22.5  |           70.2  |           51.8  |           110.8  |           81.8  |    |||||
|       AMP4-RV63-G40  |           17  |           92.5  |           68.3  |           146.2  |           107.9  |    |||||
|       AMP4-RV75-G50  |           13.5  |           115.6  |           85.3  |           183.5  |           135.4  |           8.0  |    ||||
|       AMP4-RV75-G60  |           11  |           138.4  |           102.1  |           219.4  |           161.9  |    |||||
|       AMP4-RV75-G80  |           8.5  |           184.7  |           136.3  |           292.7  |           216  |    |||||

ในระบบการผลิตอุตสาหกรรมที่ทันสมัยประสิทธิภาพของหน่วยพลังงานจะกำหนดประสิทธิภาพและความเสถียรของกระบวนการผลิตโดยตรง เป็นอุปกรณ์ไดรฟ์ที่ใช้อากาศอัดเป็นแหล่งพลังงานหลัก มอเตอร์ลมลูกสูบนิวเมติก ...
ดูเพิ่มเติมในอุตสาหกรรมสมัยใหม่ทางเลือกของอุปกรณ์ส่งกำลังส่งผลกระทบโดยตรงต่อประสิทธิภาพการผลิตและความมั่นคงในการดำเนินงาน ในฐานะอุปกรณ์ไดรฟ์ที่ขับเคลื่อนด้วยอากาศอัด มอเตอร์นิวเมติกเชิงบวก ด้วยห...
ดูเพิ่มเติมในเวทีที่กว้างใหญ่ของการผลิตอุตสาหกรรมที่ทันสมัยอุปกรณ์ยกเป็น "เบื้องหลังฮีโร่เบื้องหลัง" ที่ขาดไม่ได้ "อย่างเงียบ ๆ สนับสนุนการทำงานที่ราบรื่นของกระบวนการผลิตต่างๆ ในหมู่พวกเขา รอกโซ่นิวเม...
ดูเพิ่มเติมเชื่อมต่ออยู่เสมอ